Función de la válvula de expansión térmica
Válvula de expansión térmica (corto llamado «TXV» ) es un componente del sistema básico para el ciclo de refrigeración. Sus funciones de la siguiente manera:
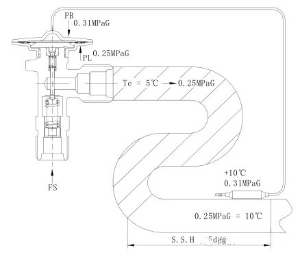
1. Reducción de la presión y presión
Acelerar y reducir la presión de la temperatura normal y el refrigerante líquido de alta presión después de la condensación en el condensador, Ajuste el refrigerante que fluye a través del evaporador, y controlar el sobrecalentamiento en la salida del evaporador. Sobrecalentar = temperatura de salida de aire – temperatura de evaporación.
2. Regular el flujo
De acuerdo con la señal de temperatura obtenida por el sensor de temperatura, TXV puede ajustar automáticamente el flujo de refrigerante que ingresa al evaporador para adaptar los cambios de la carga de refrigeración.
3. Evitar el sobrecalentamiento anormal
La válvula de expansión ajusta la velocidad de flujo para que el evaporador mantenga un cierto sobrecalentamiento, Asegúrese del uso efectivo del evaporador, Mientras tanto, evita el líquido refrigerante ingresar al compresor para causar ataque líquido; al mismo tiempo, puede evitar el sobrecalentamiento anormal.
Clasificación e instalación de TXV
TXV puede dividirse en dos tipos: equilibrado interno y equilibrado externo.
TXV equilibrado interno
Presión del sensor de temperatura = presión de resorte + presión de entrada del evaporador. La presión del diafragma de la válvula proviene de la entrada del evaporador.
TXV externo equilibrado
Presión del sensor de temperatura = presión de resorte + presión de salida del evaporador. La presión del diafragma de la válvula proviene de la salida del evaporador, siempre utilizado en sistemas con gran resistencia al evaporador.
Estructura VTX
Instale el sensor de temperatura en la tubería de aire horizontal en la salida del evaporador, 1.5m lejos del puerto de succión del compresor. El sensor de temperatura no debe colocarse en la tubería con líquido acumulado. Y envuélvelo bien contra la tubería, Mientras tanto, limpie la escala de óxido en el contacto para exponer el color natural del metal.
Cuando el diámetro de la tubería de la salida de aire es < 25 mm, El sensor de temperatura se puede atar en la parte superior de la tubería; Cuando el diámetro es > 25 mm, Se puede atar a 45 ° en el lado inferior de la tubería de aire de aire para evitar que la acumulación de aceite en el fondo de la tubería afecte el rendimiento del sensor de temperatura correctamente.
Instalación del sensor de temperatura
Depuración de txv
Debe depurar TXV bajo normal refrigeración condición de operación. Si el caudal es demasiado grande, Gire el tornillo de depuración en sentido horario. De lo contrario, Gire el tornillo de depuración en sentido antihorario, También medio turno. No gire el tornillo de depuración más de la mitad de un giro a la vez.
Debe haber un intervalo de más de 15 minutos entre cada depuración.
El sobrecalentamiento de TXV debe ser 5 ~ 8 ℃. Si no, ajustarlo.
Ejemplo de depuración de TXV
Falla: Una temperatura y humedad constantes aire acondicionado está funcionando con ambos compresores, La salida aérea es de 22.5 ℃, La entrada de aire es de 16.8 ℃, Su rendimiento de enfriamiento no es bueno. Freón era suficiente, y filtrar no bloqueado.
Inspección: 2 compresores’ La salida de aire se sobrecalentó y la temperatura en la salida de la válvula de expansión fue baja. La temperatura de salida del evaporador fue de 18 ℃, y la presión de salida de aire fue de 3.2 kg/cm2 (La temperatura correspondiente fue -5 ℃, El sobrecalentamiento fue 23 ℃), que obviamente se desvió del sobrecalentamiento normal. La razón es que la válvula de expansión no estaba lo suficientemente abierta.
Depurar: Después de la depuración correcta, La temperatura de salida del evaporador fue de 12 ℃, La presión de salida de aire fue de 4.8 kg/cm2, La temperatura correspondiente fue de 4.5 ℃, y el sobrecalentamiento era 7.5 ℃.
Los datos específicos antes y después de la depuración en el sitio son los siguientes:
| Artículo | Temporáneo de evaporador (ºC) | Presión de salida de aire del compresor (kg/cm2) | Temperatura ralentada para la presión de aire del compresor(ºC) | Sobrecalentar(ºC) | Sobrecalentar cumplir con la solicitud o no |
|---|---|---|---|---|---|
| Valor estándar de depuración del fabricante | < 14 | 4.5~6 | 2.5~11 | 5~8 | Sí |
| (#1 compresor) antes de la depuración | 21.0 | 3.2 | -5.0 | 26.0 | No |
| (#1 compresor) Después de la depuración | 12.3 | 5.0 | 5.8 | 7.6 | Sí |
| (#2 compresor) antes de la depuración | 20.5 | 4.0 | 0.0 | 20.5 | No |
| (#2 compresor) Después de la depuración | 13.9 | 5.2 | 6.0 | 7.9 | Sí |
En esta depuración, El sobrecalentamiento óptimo fue de 7.6 ℃ y 7.9 ℃ respectivamente.
| Artículo | Salida de aire acondicionado | Salida de aire acondicionado | Entrada de aire de aire acondicionado | Entrada de aire de aire acondicionado | Brecha temperatura entre la entrada de aire y la salida |
|---|---|---|---|---|---|
| Unidad | Temperatura (ºC) | Humedad (%) | Temperatura (ºC) | Humedad (%) | (ºC) |
| Antes de la depuración | 22.5 | 54.8 | 16.8 | 75.4 | 5.7 |
| Después de la depuración | 22.5 | 54.8 | 14.3 | 84.3 | 8.2 |
Conclusión
Por fin, válvula de expansión térmica (TXV) desempeña un papel vital en la regulación del flujo de refrigerante y la garantía de un rendimiento óptimo del sistema.
Al comprender sus funciones, clasificaciones, instalación adecuada, y técnicas de depuración, Puede mantener una operación eficiente y abordar posibles problemas de manera efectiva, contribuyendo a la fiabilidad del refrigeración o aire acondicionado sistema.
Algún comentario?
Bienvenido deja un mensaje o vuelve a publicar.


