...
Logotipo de la pista de carreras

Su OEM integral & Socio de soluciones para cámaras frigoríficas ODM

Fabricante y proveedor de unidades de refrigeración monobloque personalizadas en China

Fabricamos unidades de refrigeración monobloque de 0,5 ~ 5,0 HP. (tanto inversor como no inversor) con mejor precio. Mientras tanto proporcionar diseño, instalación, puesta en marcha, mantenimiento, Soporte técnico y solución integral para su proyecto., Contáctanos ahora !

Cooperar con empresas destacadas te hace mejor

Nuestra Asociación

motor ventilador panasonic
compresor invotech 01
compresor refcomp
Altamente
danfoss
compresor tecumseh
Copelandia
Compresor Blait
Logotipo de Embraco
SANYO
Compresor Maneurop
logotipo de bitzer

¿Qué es la unidad de refrigeración monobloque?

La unidad de refrigeración monobloque es un sistema de refrigeración integrado que ofrece una solución compacta e integral para aplicaciones de refrigeración y congelación.. Combina múltiples componentes., incluyendo compresor, condensador, evaporador, mostrar, tablero inversor y tablero de control, en una sola unidad. Estos componentes trabajan juntos para hacer circular el refrigerante y liberar calor del espacio refrigerado., manteniendo así la temperatura establecida.

La unidad de refrigeración monobloque tiene dos tipos de instalación.: montado en la pared y montado en la parte superior. Unidad montada en la pared utilizada sin espacio superior, unidad montada en la parte superior utilizada sin espacio en la pared.

Unidad de refrigeración monobloque

Panel de cámara fría nunca inflamable

Unidad de refrigeración monobloque comúnmente utilizada en diversas aplicaciones., como la refrigeración comercial, almacenamiento de alimentos, transporte de cadena de frio, Cuarto frio, cámara frigorífica, cuarto congelador, y aplicaciones especiales.

«Pista de carreras» fabricar monobloques inversor y no inversor de alto nivel unidad de refrigeración 0.5~5 hp con buenas características: Diseño compacto todo en uno para una instalación más rápida y una entrega de proyectos más sencilla, Rendimiento de refrigeración estable para cámaras frigoríficas comerciales con demandas de funcionamiento diario., 50% eficiencia energética, y bajos requisitos de mantenimiento.

Unidad monobloque -01

Nuestra unidad de refrigeración monobloque puede enfriar la habitación más rápido, hacer que el sistema sea estable, y ahorro de energía (hasta 50%) !

Unidad Monobloque Super Refrigeración

Cuando se necesita una unidad de refrigeración monobloque

  • Cámaras frigoríficas pequeñas y medianas
    Ideal para proyectos que necesitan una instalación y un inicio rápidos.

  • Proyectos de reemplazo
    Una buena opción cuando desea reemplazar una unidad antigua con menos trabajo en sitio y menor riesgo de instalación..

  • Condiciones limitadas de instalación en el sitio
    Funciona bien cuando el sitio no permite tuberías complejas, pasar la aspiradora, o carga de refrigerante.

  • Compra estandarizada
    Ayuda a mayoristas e instaladores a simplificar la planificación de modelos y reducir la complejidad de los SKU.

  • Espacio limitado
    Se adapta a proyectos que tienen poco espacio para un sistema de refrigeración independiente. ( unidad condensadora + evaporador)

Área de aplicación

Almacenamiento en frío de camarones

Mariscos

almacenamiento de flores

Flor

Supermercado 2

Supermercado

calidad del helado

Helado

Fruits can't mix in cold storage

Fruta

Transporte de cadena de frío

Cadena de frío

Cámara frigorífica de vacunas

Vacuna

almacenamiento de vino

Vino

Contenedor de la unidad monobloque del inversor espacio frío

La unidad de monobloque del inversor puede guardar 50% Electricidad y el tiempo de enfriamiento

Excelente unidad de refrigeración monobloque de ahorro de energía

Más adecuado para áreas inestables de voltaje, Nunca dañe el compresor

Dibujo de la unidad monobloque del inversor 02
Dibujo de la unidad monobloque del inversor 01

Dibujo de la unidad monobloque inversor

Selección de unidades de refrigeración monobloque

Unidad condensadora monobloque

1Unidad de refrigeración monobloque HP Inverter

Nuestro 1Grupo frigorífico monobloque HP inverter combina los principales componentes de refrigeración en un paquete compacto, ahorra hasta 50% ahorro de energía, reduce el desgaste del compresor, y mantiene la refrigeración estable bajo cargas variables.

El control preciso del inversor mejora la eficiencia, extiende la vida útil, y soporta un rendimiento confiable de la cámara frigorífica.

Área de aplicación: 8~20CBM (-18°C a +5°C)

  • Modelo: SWMB-10F/BP
  • Fuente de alimentación: 220V 50/60Hz
  • Modo de descongelación: Descongelación por gas caliente
  • Refrigerante: R404/507/448/290
  • Capacidad de enfriamiento: 1.0HP
  • Potencia de entrada: 555W
  • Temperatura de evaporación: -35°C a +10°C
  • Compresor: Inversor CRSS (Sanyo)
  • Frecuencia: 40~85Hz
  • Dimensión exterior (L*W*H): 708*710*988milímetro
  • Peso neto: 60Kg
Unidad condensadora monobloque

1.5Unidad de refrigeración monobloque HP Inverter

Nuestro 1.5Grupo frigorífico monobloque HP inverter combina los principales componentes de refrigeración en un paquete compacto,ahorra hasta 50% ahorro de energía, reduce el desgaste del compresor, y mantiene la refrigeración estable bajo cargas variables.

El control preciso del inversor mejora la eficiencia, extiende la vida útil, y soporta un rendimiento confiable de la cámara frigorífica.

Área de aplicación: 15~27CBM (-18°C a +5°C)

  • Modelo: SWMB-15F/BP
  • Fuente de alimentación: 220V 50/60Hz
  • Modo de descongelación: Descongelación por gas caliente
  • Refrigerante: R404/507/448/290
  • Capacidad de enfriamiento: 1.5HP
  • Potencia de entrada: 765 W
  • Temperatura de evaporación: -35°C a +10°C
  • Compresor: Inversor CRSS (Sanyo)
  • Frecuencia: 40~85Hz
  • Dimensión exterior (L*W*H): 708*710*988milímetro
  • Peso neto: 68Kg
Unidad condensadora monobloque

2Unidad de refrigeración monobloque HP Inverter

Nuestro 2Grupo frigorífico monobloque HP inverter combina los principales componentes de refrigeración en un paquete compacto, ahorra hasta 50% ahorro de energía, reduce el desgaste del compresor, y mantiene la refrigeración estable bajo cargas variables.

El control preciso del inversor mejora la eficiencia, extiende la vida útil, y soporta un rendimiento confiable de la cámara frigorífica.

Área de aplicación: 24~36CBM (-18°C a +5°C)

  • Modelo: SWMB-20F/BP
  • Fuente de alimentación: 220V 50/60Hz
  • Modo de descongelación: Descongelación por gas caliente
  • Refrigerante: R404/507/448/290
  • Capacidad de enfriamiento: 2.0HP
  • Potencia de entrada: 1480 W
  • Temperatura de evaporación: -35°C a +10°C
  • Compresor: Inversor CRSS (Sanyo)
  • Frecuencia: 40~85Hz
  • Dimensión exterior (L*W*H): 708*710*988milímetro
  • Peso neto: 78Kg
Unidad de refrigeración monobloque-producto 1

3Unidad de refrigeración monobloque HP Inverter

Nuestro 3Grupo frigorífico monobloque HP inverter combina los principales componentes de refrigeración en un paquete compacto,ahorra hasta 50% ahorro de energía, reduce el desgaste del compresor, y mantiene la refrigeración estable bajo cargas variables.

El control preciso del inversor mejora la eficiencia, extiende la vida útil, y soporta un rendimiento confiable de la cámara frigorífica.

Área de aplicación: 35~54CBM (-18°C a +5°C)

  • Modelo: SWMB-30F/BP
  • Fuente de alimentación: 220V 50/60Hz
  • Modo de descongelación: Descongelación por gas caliente
  • Refrigerante: R404/507/448/290
  • Capacidad de enfriamiento: 3.0HP
  • Potencia de entrada: 2035 W
  • Temperatura de evaporación: -35°C a +10°C
  • Compresor: Inversor CRSS (Sanyo)
  • Frecuencia: 40~85Hz
  • Dimensión exterior (L*W*H): 708*710*988milímetro
  • Peso neto: 98Kg
Unidad de refrigeración monobloque-producto 1

5Unidad de refrigeración monobloque HP Inverter

Nuestro 5Grupo frigorífico monobloque HP inverter combina los principales componentes de refrigeración en un paquete compacto, ahorra hasta 50% ahorro de energía, reduce el desgaste del compresor, y mantiene la refrigeración estable bajo cargas variables. El control preciso del inversor mejora la eficiencia, extiende la vida útil, y soporta un rendimiento confiable de la cámara frigorífica.

Área de aplicación: 50~85CBM (-18°C a +5°C)

  • Modelo: SWMB-50F/BP
  • Fuente de alimentación: 380V 50/60Hz
  • Modo de descongelación: Descongelación por gas caliente
  • Refrigerante: R404/507/448/290
  • Capacidad de enfriamiento: 5.0HP
  • Potencia de entrada: 2905 W
  • Temperatura de evaporación: -35°C a +10°C
  • Compresor: Inversor CRSS (Sanyo)
  • Frecuencia: 40~85Hz
  • Dimensión exterior (L*W*H): 708*710*988milímetro
  • Peso neto: 130Kg
Unidad de refrigeración monobloque-producto

Unidad de refrigeración monobloque de temperatura media

Nuestras unidades de media temperatura ahorran energía, reducir el estrés del compresor, y ofrece refrigeración estable para uso comercial diario. Admiten aplicaciones profesionales de cámaras frigoríficas, como alimentos frescos., bebidas, cocinas, supermercados, y otros proyectos de almacenamiento a media temperatura.

Área de aplicación: 37~45CBM (-5°C a +5°C)

  • Modelo: SWMB-30FM
  • Fuente de alimentación: 220V 50/60Hz
  • Modo de descongelación: Descongelación eléctrica
  • Refrigerante: R404/507/448/290
  • Capacidad de enfriamiento: 3.0HP
  • Potencia de entrada: 1605 W
  • Temperatura de evaporación: -5°C a +10°C
  • Compresor: CRSS no inversor (Sanyo)
  • Dimensión exterior (L*W*H): 708*710*988milímetro
  • Peso neto: 95Kg
Unidad de refrigeración monobloque-producto

Unidad de refrigeración monobloque de baja temperatura

Nuestras unidades de baja temperatura ahorran energía, proteger el compresor, y mantenga un rendimiento confiable en aplicaciones de congelación exigentes. Se adaptan al almacenamiento de alimentos congelados., proyectos de cadena de frio, restaurantes, supermercados, y muchas otras cámaras frigoríficas comerciales de baja temperatura.

Área de aplicación: 27~37CBM (-18°C a -5°C)

  • Modelo: SWMB-30FL
  • Fuente de alimentación: 220V 50/60Hz
  • Modo de descongelación: Descongelación eléctrica
  • Refrigerante: R404/507/448/290
  • Capacidad de enfriamiento: 3.0HP
  • Potencia de entrada: 1500 W
  • Temperatura de evaporación: -35°C a -10°C
  • Compresor: CRSS no inversor (Sanyo)
  • Dimensión exterior (L*W*H): 708*710*988milímetro
  • Peso neto: 95Kg

Cómo contar la capacidad de enfriamiento?

¿Quiere calcular la capacidad de refrigeración de la unidad de refrigeración monobloque y el costo de la cámara fría para su proyecto??

No preocupación, nuestra calculadora de tonelaje de capacidad de enfriamiento lo ayudará !

Cómo hacer una unidad de refrigeración monobloque?

#1.Diseño e ingeniería

El proceso de producción comienza con la fase de diseño e ingeniería.. Ingeniero y diseñador desarrollan planos y especificaciones detalladas para el monobloque. unidad de refrigeración, teniendo en cuenta factores como la capacidad de refrigeración, dimensiones, eficiencia energética, y compatibilidad de componentes. Y a menudo utilizan diseños avanzados asistidos por computadora. (CANALLA) software para crear modelos 3D precisos y dibujos técnicos.

Monobloque-Diseño e Ingeniería 1
Compra de componentes

#2.Adquisición de componentes

Una vez finalizado el diseño, debería comenzar a adquirir los componentes necesarios para la unidad de refrigeración monobloque. Esto incluye el compresor., condensador, evaporador, válvula de expansión, ventilador de motor, Panel de control, y varios otros componentes eléctricos y mecánicos. Es crucial obtener componentes de alta calidad de proveedores confiables para garantizar la confiabilidad y el rendimiento del producto final.

#3.Montaje de componentes

Monte el compresor sobre una base resistente dentro de la carcasa de la unidad.. Luego coloque el condensador, evaporador, válvula de expansión, y bobina de cobre y ensamblar de acuerdo con las especificaciones de diseño. Debe prestar atención cuidadosamente para garantizar una alineación adecuada., conexiones seguras, y aislamiento apropiado para maximizar la eficiencia de enfriamiento y evitar fugas de refrigerante.

Componentes de montaje 01
Cableado eléctrico

#4.Cableado eléctrico

El siguiente paso es realizar el cableado eléctrico de la unidad de refrigeración monobloque.. Significa conectar el panel de control., ventilador de motor, compresor, y otros componentes eléctricos utilizando técnicas de cableado especiales. El operador debe seguir estrictamente las medidas de seguridad., incluyendo conexión a tierra y aislamiento adecuados, para garantizar un funcionamiento fiable y seguro.

#5.Carga de refrigerante

Una vez que los componentes y el cableado eléctrico estén en su lugar, debería comenzar a cargar el refrigerante en el sistema. Esto requiere una medición precisa y un manejo cuidadoso del refrigerante para lograr la carga correcta según las especificaciones del fabricante.. Elegir refrigerante en función de sus características de rendimiento y consideraciones de impacto ambiental.

Carga de refrigerante
Control de calidad y pruebas

#6.Control de calidad y pruebas

Antes de que la unidad de refrigeración monobloque esté lista para su envío, Debe realizar controles y pruebas de control de calidad exhaustivos.. Cada unidad se somete a rigurosas inspecciones para garantizar el funcionamiento adecuado., rendimiento de refrigeración eficiente, y cumplimiento de las normas de seguridad. Mientras tanto, Realizar pruebas de rendimiento para verificar la precisión del control de temperatura., capacidad de enfriamiento, y consumo de energía.

#7.Embalaje y envío

Después de pasar controles de calidad., Embale cuidadosamente las unidades de refrigeración monobloque para evitar daños durante el transporte.. Debe emplear medidas de protección., como materiales de amortiguación y embalaje seguro para proteger las unidades. Luego están listos para su envío a los clientes., asegurando que lleguen en óptimas condiciones.

Embalaje y envío

Cómo instalar una unidad de refrigeración monobloque?

Grupo frigorífico monobloque Vista frontal

Vista frontal

1) Debe instalar runidad de refrigeración verticalmente al suelo, Al menos 500 mm hasta el obstáculo superior. No debe haber ningún bloqueo en la entrada de aire., y ventilación suave.

Grupo frigorífico monobloque Vista lateral

Vista lateral

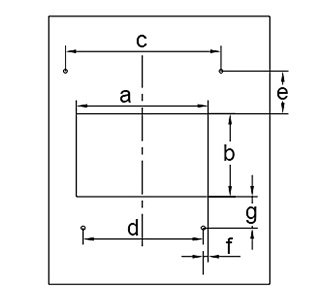
2) El evaporador de la unidad de refrigeración debe estar empotrado en la pared sin espacio., El evaporador debe estar paralelo al suelo sin inclinación.. El condensador debe instalarse al menos a 800 mm del obstáculo lateral..

Unidad de refrigeración monobloque Tamaño de instalación

Modelo
ABCDmiabCdmiFgramo
1HP590
7054503586284353804703906048210
2HP7008204814086806004205904506072260
3HP9208204814087207564206006506052300

Dimensión de la pieza de la unidad de refrigeración monobloque (La unidad es mm.)

Unidad de refrigeración monobloque Plano de instalación

Diagrama de instalación

Foto del componente

Componentes de la unidad de refrigeración monobloque

Imagen de instalación 1

Proyecto de instalación: Afuera

Imagen de instalación 2

Proyecto de instalación: Adentro

Proyecto de Instalación-Nuevo Modelo

Proyecto de instalación: Nuevo modelo

Parámetro de la unidad de refrigeración monobloque

Modelo
SWMB-05FSWMB-10FSWMB-15FSWMB-20FSWMB-30FSWMB-50F
Capacidad 0.5HP
1.0HP1.5HP2.0HP3.0HP5.0HP
Capacidad de enfriamiento810W1560W2560W3500W5720W9100W
Potencia de entrada756W1300W1925W1630W2700W3750W
Corriente maxima6.8A8A9A10A15A18A
Voltaje220V/1F220V/1F220V/1F220V/1F220V/1F380V/3F
CompresorSanyo/AltamenteSanyo/AltamenteSanyo/AltamenteSanyo/AltamenteSanyo/AltamenteSanyo/Altamente
Tipo de compresorGiratorioGiratorioGiratorioGiratorioGiratorioGiratorio
Temperatura establecida-24 ~8°C-24 ~8°C-24 ~8°C-24 ~8°C-24 ~8°C-24 ~8°C
RefrigeranteR404R404R404R404R404R404
Peso del refrigerante1.5kg2.0kg2.2kg2.4kg3.5kg3.7kg
Longitud(milímetro)102010201020117011701350
Ancho(milímetro)600600600660660800
Altura(milímetro)770770770830830950
Peso neto56Kg75Kg83Kg98Kg108Kg160Kg
Frecuencia50/60Hz50/60Hz50/60Hz50/60Hz50/60Hz50/60Hz
Temperatura de evaporación-35ºC-35ºC-35ºC-35ºC-35ºC-35ºC
Temperatura de condensación54ºC54ºC54ºC54ºC54ºC54ºC
Modo de enfriamientoAire enfriadoAire enfriadoAire enfriadoAire enfriadoAire enfriadoAire enfriado
Manera del aceleradorVálvula de expansión electrónicaVálvula de expansión electrónicaVálvula de expansión electrónicaVálvula de expansión electrónicaVálvula de expansión electrónicaVálvula de expansión electrónica
Descongelación Eléctrica
Volumen de la cámara frigorífica5~8 metros cúbicos11~15 metros cúbicos14~25 metros cúbicos33~43 metros cúbicos40~53 metros cúbicos55~76 metros cúbicos

¿Por qué elegir nuestra unidad de refrigeración monobloque??

#1.Compresor mundialmente famoso

Nuestra unidad de refrigeración monobloque utiliza compresores Copeland/Bitzer/Danfoss/Sanyo/Highly, conocido por su excepcional eficiencia y durabilidad, que ofrecen un rendimiento de refrigeración óptimo, asegurando un control preciso de la temperatura y un enfriamiento o congelación rápidos según sus requisitos.

Compresor Copeland
Unidad monobloque de carcasa pesada

#2.Carcasa pesada

La unidad tiene una carcasa robusta y pesada para soportar entornos exigentes y proporcionar una protección duradera.. La carcasa robusta mejora la durabilidad de la unidad., asegurando que pueda soportar los rigores del uso comercial sin comprometer su rendimiento.

#3.Motor de ventilador de alta calidad

Nuestro monobloque unidad de refrigeración Cuenta con el motor del ventilador de alta calidad., seleccione cuidadosamente por su funcionamiento confiable y eficiente. El motor del ventilador facilita el flujo de aire adecuado dentro de la unidad., Garantizar una transferencia de calor eficiente y una refrigeración constante en todo el espacio refrigerado.. Esto contribuye a mantener niveles óptimos de temperatura y preservar la calidad de los productos almacenados..

#4. Bobina de cobre firme

La bobina de cobre tiene excelentes propiedades de transferencia de calor y resistencia a la corrosión.. El serpentín de cobre maximiza la eficiencia del intercambio de calor., permitiendo un enfriamiento rápido y eficiente. También mejora la longevidad de la unidad al minimizar el riesgo de fugas de refrigerante y garantizar un rendimiento constante a lo largo del tiempo..

Contáctenos para aire acondicionado

#5. Servicio postventa

1) Apoyo técnico

Nuestro equipo de soporte técnico está disponible para ayudar a los clientes con cualquier consulta o inquietud que puedan tener.. Ya sea para solucionar problemas, Proporcionar orientación sobre los procedimientos de mantenimiento., u ofrecer asesoramiento experto, Nuestro equipo está dedicado a garantizar que nuestros clientes reciban asistencia rápida y efectiva..

2) Comunicación Responsiva

Valoramos la comunicación abierta y transparente con nuestros clientes., máximo 24 horas responderá a las consultas, solicitudes de información, o cualquier otra comunicación de nuestros clientes.

3) Piezas de repuesto disponibles

Mantenemos un piezas de repuesto en stock para nuestras unidades de refrigeración monobloque. Proporcionando fácil acceso a piezas de alta calidad., Nuestro objetivo es minimizar el tiempo de inactividad y permitir a nuestros clientes restaurar rápidamente la funcionalidad de sus unidades..

Ventajas adicionales

Ofrecemos garantía de 36 meses para darle más confianza en cada pedido.. Reduces el riesgo de mantenimiento, controlar el costo postventa, y proteja sus proyectos de refrigeración a largo plazo.

Con 15+ años de experiencia, entendemos los sistemas de refrigeración, necesidades del cliente, y requisitos de exportación. Le ayudamos a elegir unidades condensadoras confiables y a resolver los desafíos del proyecto de manera más eficiente..

Organizamos entregas rápidas para ayudarle a mantener los proyectos a tiempo. También proporcionamos repuestos gratuitos para reducir el tiempo de inactividad y respaldar una instalación y un mantenimiento sin problemas..

Suministramos directamente desde nuestra fábrica de China., lo que le ayuda a ahorrar costos de abastecimiento y comunicarse con nosotros de manera más eficiente. Obtienes mejores precios, retroalimentación más rápida, y soporte de personalización más flexible.

Utilizamos embalajes de madera resistentes para proteger sus unidades condensadoras durante el envío y manipulación.. Reduce los daños durante el transporte., mantiene los productos seguros, y ayuda a que tu pedido llegue en buenas condiciones.

Brindamos soporte técnico de por vida para ayudarlo a resolver la instalación., operación, y problemas de mantenimiento rápidamente. Nuestro equipo permanece con usted después de la entrega y apoya sus proyectos en cada etapa..

Productos de refrigeración relacionados

Unidad de condensación de cámara fría

Enfriador sin cita previa

Unidad de condensación hermética

Unidad condensadora inversora

Unidad condensadora tipo caja

Unidad condensadora semihemética

Refrigerador de alcance

Las preguntas frecuentes

Preguntas frecuentes sobre la unidad de refrigeración monobloque

A diferencia de los sistemas de refrigeración tradicionales que tienen componentes separados, como un compresor remoto y una unidad condensadora, Las unidades de refrigeración monobloque combinan todos los componentes necesarios en un solo gabinete.. Este diseño integrado simplifica la instalación., reduce los requisitos de espacio, y ofrece una mayor eficiencia energética.

Speedway está comprometido con la calidad en todos los aspectos de nuestro negocio: nuestra gente, procesos y productos. A esto lo llamamos 'el estándar SPEEDWAY'.

Sí. Incorporan tecnología avanzada, como el compresor INVERTER de alta eficiencia, intercambiador de calor óptimo, y control inteligente, para minimizar el consumo de energía y reducir el costo operativo, normalmente puede ahorrar 20-25% energía, hasta 50%.

Damos la bienvenida a cualquier pedido de muestra antes de la compra de grandes cantidades, eso significa que 1pc es aceptable. Para la cantidad de pedido en masa es de 10 piezas cada modelo.

Sí, Ofrecemos opciones personalizadas para monobloque. unidad de refrigeración, incluir diferentes dimensiones, rangos de temperatura, configuraciones de estanterías, y características adicionales.

Las tareas de mantenimiento habituales de las unidades de refrigeración monobloque incluyen: limpiar serpentines del condensador, revisar y reemplazar filtros, inspeccionar conexiones electricas, y garantizar un flujo de aire adecuado. Recomendamos seguir las pautas de mantenimiento del fabricante para mantener la unidad funcionando de manera eficiente..

Para solicitar detalles, envíenos un correo electrónico: sales@cn-beyond.com o Whatsapp:+86 15867834310

Tenemos fábrica propia para producir los principales. productos de refrigeración, pero también negociamos con otros productos relacionados porque tenemos recursos para suministrar buena calidad y servicio.

Sí,tenemos 5 ingenieros superiores, 13 profesional r & equipo D, 65 personal de producción profesional.

La vida útil puede variar dependiendo de factores como el uso., mantenimiento, y componentes’ calidad. De media, con el cuidado y mantenimiento adecuados, un monobloque bien construido unidad de refrigeración Puede durar de 8 a 10 años o incluso más..

Las unidades de refrigeración monobloque están diseñadas para funcionar de forma silenciosa. Sin embargo, Los niveles de ruido pueden variar dependiendo de la unidad específica y su instalación.. Instalación adecuada, mantenimiento, y el aislamiento pueden ayudar a minimizar cualquier ruido producido durante el funcionamiento..

Las características de seguridad incluyen: controles de presión incorporados, interruptores de límite de temperatura, y protección contra sobrecarga para el compresor. Estas características ayudan a prevenir fallos de funcionamiento del sistema., mantener condiciones de operación seguras, y proteger la unidad de posibles daños.

Sí. Su diseño compacto y autónomo permite una reubicación relativamente fácil., convirtiéndolos en una solución flexible para empresas que pueden necesitar reorganizar sus instalaciones de refrigeración o mudarse a una ubicación diferente..

Refrigerantes comunes utilizado en monobloque unidades de refrigeración incluido R134a / R404a / R290 / R448 / R449, etc.. Estos refrigerantes tienen buenas propiedades termodinámicas y un bajo potencial de agotamiento del ozono..

Sí, Depende de la compatibilidad y de los requisitos específicos de la instalación.. Sin embargo, Es importante consultar con un técnico profesional o fabricante para evaluar la viabilidad y garantizar una integración adecuada..

Sí, Puede operar una unidad de refrigeración monobloque con fuentes de energía renovables como la energía solar o la energía eólica.. Conectando la unidad a un sistema de energía renovable apropiado o utilizando un inversor, La empresa o el gobierno pueden reducir sus emisiones de carbono y lograr una mayor eficiencia energética..

Sí. Se pueden configurar para mantener una amplia gama de temperaturas adecuadas para diversos productos., haciéndolos versátiles para diferentes necesidades comerciales.

Solicite una cotización gratis

Listo para comenzar su proyecto con nosotros?

Asóciese con nosotros para aumentar la reputación de su marca, consigue una experiencia impresionante para que tus clientes te recuerden toda la vida, y ayudarlo a destacarse en el mercado competitivo !

No te pierdas al mejor socio!

Listo para trabajar con nosotros?

Personalizamos los productos de refrigeración superiores según su idea o sugerencia desde 2010

Seraphinite AcceleratorOptimized by Seraphinite Accelerator
Turns on site high speed to be attractive for people and search engines.