Thermische expansieklepfunctie
Thermisch expansieventiel (Kort gebeld “TXV” ) is een basissysteemcomponenten voor koelcyclus. Zijn functies als volgen:
1. Gaspedaal- en drukvermindering
Gasklep en verminder de druk van de normale temperatuur en hogedrukvloeistofkoelmiddel na condensatie in de condensor, Pas het koelmiddel aan dat door de verdamper stroomt, en controleer de oververhitting bij de verdamperuitgang. Oververhitting = luchtuitgang temperatuur – verdampingstemperatuur.
2. Reguleer de stroom
Volgens het temperatuursignaal verkregen door de temperatuursensor, TXV kan automatisch de koelmiddelstroom aanpassen die de verdamper binnenkomt om de wijzigingen van de koelbelasting aan te passen.

3. Voorkom abnormaal oververhitting
De uitbreidingsklep past de stroomsnelheid aan om de verdamper een zekere oververhitting te laten raken, Zorg voor het effectieve gebruik van de verdamper, Vermijd ondertussen vloeistof koelmiddel het betreden van de compressor om vloeibare staking te veroorzaken; tegelijkertijd, het kan abnormale oververhitting voorkomen.
TXV -classificatie en -installatie
TXV kan in twee typen delen: interne evenwichtige en extern gebalanceerd.
Interne evenwichtige TXV
Temperatuursensorgruk = Vagedruk + verdamper inlaatdruk. Klepdiafragmdruk komt uit verdamperinlaat.
Externe evenwichtige TXV
Temperatuursensorgruk = Vagedruk + verdamperuitgangsdruk. Klepdiafragmdruk komt uit verdamperuitgang, altijd gebruikt in systemen met grote verdampingsweerstand.

TXV-structuur
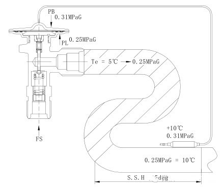
Installeer de temperatuursensor op de horizontale luchtuitgangspijp bij de verdamperuitgang, 1.5m weg van de zuighaven van de compressor. Temperatuursensor mag niet op de pijpleiding plaatsen met opgebouwde vloeistof. En wikkel het stevig tegen de pijp, Reinig ondertussen de oxide -schaal bij het contact om de natuurlijke kleur van het metaal bloot te leggen.
Wanneer de diameter van de luchtuitgangspijp ๏ผ 25 mm is, De temperatuursensor kan worden vastgebonden aan de buisdop; Wanneer de diameter ๏ผ 25 mm is, Het kan worden vastgebonden bij 45 ยฐ aan de onderkant van de luchtuitgangspijp om te voorkomen.

Installatie van temperatuursensor
TXV Debug
Moet txv debuggen onder normaal koeling Werkvoorwaarde. Als de stroomsnelheid te groot is, Draai de foutopsporingsschroef een halve bocht met de klok mee. Anders, Draai de foutopsporingsschroef tegen de klok in, ook een halve draai. Draai de foutopsporingsschroef niet meer dan een halve draai in รฉรฉn keer.
Er moet een interval van meer zijn dan 15 Minuten tussen elk foutopsporing.
TXV oververhitting moet 5 ~ 8 โ zijn. Zo niet, Pas het aan.
TXV Debug voorbeeld
Schuld: Een constante temperatuur en vochtigheid airco loopt met beide compressoren, Luchtuitgang is 22,5 โ, luchtinlaat is 16,8 โ, De koelprestaties zijn niet goed. Freon was voldoende, en filter niet geblokkeerd.
Inspectie: 2 compressoren’ Luchtuitgang was oververhit en de temperatuur bij de uitbreiding klep was laag. De uitlaattemperatuur van de verdamper was 18 โ, en luchtuitgangsdruk was 3,2 kg/cm2 (De overeenkomstige temperatuur was -5 โ, Oververhitting was 23 โ), die duidelijk was afgeweken van de normale oververhitting. Reden is dat de uitbreidingsklep niet open genoeg was.
Debug: Na correct foutopsporing, De uitlaattemperatuur van de verdamper was 12 โ, Luchtuitgangsdruk was 4,8 kg/cm2, De overeenkomstige temperatuur was 4,5 โ, En de oververhitting was 7,5 โ.
De specifieke gegevens voor en na het foutopsporings op locatie zijn als volgt:
| Item | Verdamper outlet temp (ยฐ C) | Compressor luchtuitlaatdruk (kg/cm2) | Ralated Temp voor Compressor Air Outlet Druk(ยฐ C) | Oververhitting(ยฐ C) | Oververhitting voldoen aan het verzoek of niet |
|---|---|---|---|---|---|
| De foutwaarde van de foutopsporing van de fabrikant | ๏ผ 14 | 4.5~6 | 2.5~11 | 5~8 | Ja |
| (#1 compressor) Vรณรณr foutopsporing | 21.0 | 3.2 | -5.0 | 26.0 | Nee |
| (#1 compressor) Na foutopsporing | 12.3 | 5.0 | 5.8 | 7.6 | Ja |
| (#2 compressor) Vรณรณr foutopsporing | 20.5 | 4.0 | 0.0 | 20.5 | Nee |
| (#2 compressor) Na foutopsporing | 13.9 | 5.2 | 6.0 | 7.9 | Ja |
In dit foutopsporing, De optimale oververhitting was respectievelijk 7,6 โ en 7,9 โ.
| Item | Airconditioning luchtuitgang | Airconditioning luchtuitgang | Airconditioning luchtinlaat | Airconditioning luchtinlaat | Temp Gap tussen luchtinlaat en uitlaat |
|---|---|---|---|---|---|
| Eenheid | Temp (ยฐ C) | Vochtigheid (%) | Temp (ยฐ C) | Vochtigheid (%) | (ยฐ C) |
| Vรณรณr foutopsporing | 22.5 | 54.8 | 16.8 | 75.4 | 5.7 |
| Na foutopsporing | 22.5 | 54.8 | 14.3 | 84.3 | 8.2 |
Conclusie
Eindelijk, thermische expansieklep (TXV) speelt een cruciale rol bij het reguleren van de koelmiddelstroom en het zorgen voor optimale systeemprestaties.
Door zijn functies te begrijpen, classificaties, Juiste installatie, en debuggingtechnieken, U kunt een efficiรซnte werking behouden en potentiรซle problemen effectief aanpakken, bijdragen aan de betrouwbaarheid van de koeling of airconditioning systeem.
Eventuele opmerkingen?
Welkom laat een bericht achter of repost.