...

Your One-Stop OEM & ODM Cold Room Solution Partner

Custom Monoblock Refrigeration Unit Manufacturer and Supplier in China

We fabricate 0.5~5.0HP monoblock refrigeration unit (both inverter and non-inverter) with better price. Meanwhile provide design, installation, commissioning, maintenance, technical support and one-stop solution for your project,  contact us Now !

Cooperate with Outstanding Companies Makes You Better

Our Partnership

Panasonic fan motor
invotech compressor 01
refcomp compressor
Highly
danfoss
tecumseh compressor
Copeland
Blait compressor
Embraco logo
SANYO
Maneurop Compressor
bitzer logo

What is Monoblock Refrigeration Unit

Monoblock refrigeration unit is an integrated refrigeration system that offers a compact and integral solution for cooling and freezing applications. It combines multiple components, including compressor, condenser, evaporator, display, inverter board and control board, into a single unit. These components work together to circulate refrigerant and release heat from the refrigerated space, thereby maintaining the set temperature.

Monoblock refrigeration unit has two installation types: wall mounted and top mounted. Wall mounted unit used for no top space area, top mounted unit used for no wall space area.

Monoblock refrigeration unit

Never Flammable Cold Room Panel

Monoblock refrigeration unit commonly used in various applications, such as commercial refrigeration, food storage, cold chain transportation, cold room, walk-in cooler, freezer room, and special applications. 

“Speedway” fabricate high-level both non-inverter and inverter monoblock refrigeration unit 0.5~5 hp with good features: Compact all-in-one design for faster installation and easier project delivery, stable cooling performance for commercial cold rooms with daily operation demands, 50% energy efficiency, and low maintenance requirements.

Monoblock unit -01

Our monoblock refrigeration unit can cool the room faster, make the system stable, and energy saving (up to 50%) !

Monoblock Unit Super Cooling

When Need Monoblock Refrigeration Unit

  • Small to Medium Cold Rooms
    Ideal for projects that need fast installation and quick startup.

  • Replacement Projects
    A good option when you want to replace an old unit with less on-site work and lower installation risk.

  • Limited On-Site Installation Conditions
    Works well when the site doesn’t allow complex piping, vacuuming, or refrigerant charging.

  • Standardized Purchase
    Helps wholesalers and installers simplify model planning and reduce SKU complexity.

  • Limited Space
    Fits projects that have little space for separate refrigeration system ( condensing unit + evaporator)

Application Area

Shrimp cold storage

Seafood 

flower storage

Flower

Supermarket 2

Supermarket

Ice cream quality

Ice Cream

Fruits can't mix in cold storage

Fruit

Cold Chain Transportation

Cold Chain

Vaccine cold room

Vaccine

wine storage

Wine

Inverter Monoblock Unit Container Cold Room

Inverter Monoblock Unit Can Save 50% Electricity and Cooling Time

Excellent Energy-Save Monoblock Refrigeration Unit

Most Suitable For Voltage Un-stable Area, Never Damage Compressor

Inverter Monoblock Unit drawing 02
Inverter Monoblock Unit drawing 01

Inverter Monoblock Unit Drawing

Monoblock Refrigeration Unit Selection

Monoblock Condensing unit

1HP Inverter Monoblock Refrigeration Unit

Our 1HP inverter monoblock refrigeration unit combines major cooling components in one compact package, saves up to 50% energy savings, reduces compressor wear, and keeps cooling stable under varying loads.

Precise inverter control improves efficiency, extends service life, and supports reliable cold room performance.

Application area: 8~20CBM (-18°C to +5°C)

  • Model: SWMB-10F/BP
  • Power supply: 220V 50/60HZ
  • Defrost way: Hot gas defrost
  • Refrigerant: R404/507/448/290
  • Cooling capacity: 1.0HP
  • Input power: 555W
  • Evaporating temperature: -35°C to +10°C
  • Compressor: Inverter CRSS (Sanyo) 
  • Frequency: 40~85Hz
  • External dimension (L*W*H): 708*710*988mm
  • Net weight: 60Kg
Monoblock Condensing unit

1.5HP Inverter Monoblock Refrigeration Unit

Our 1.5HP inverter monoblock refrigeration unit combines major cooling components in one compact package,saves up to 50% energy savings, reduces compressor wear, and keeps cooling stable under varying loads.

Precise inverter control improves efficiency, extends service life, and supports reliable cold room performance.

Application area: 15~27CBM (-18°C to +5°C)

  • Model: SWMB-15F/BP
  • Power supply: 220V 50/60HZ
  • Defrost way: Hot gas defrost
  • Refrigerant: R404/507/448/290
  • Cooling capacity: 1.5HP
  • Input power: 765 W
  • Evaporating temperature: -35°C to +10°C
  • Compressor: Inverter CRSS (Sanyo) 
  • Frequency: 40~85Hz
  • External dimension (L*W*H): 708*710*988mm
  • Net weight: 68Kg
Monoblock Condensing unit

2HP Inverter Monoblock Refrigeration Unit

Our 2HP inverter monoblock refrigeration unit combines major cooling components in one compact package, saves up to 50% energy savings, reduces compressor wear, and keeps cooling stable under varying loads.

Precise inverter control improves efficiency, extends service life, and supports reliable cold room performance.

Application area: 24~36CBM (-18°C to +5°C)

  • Model: SWMB-20F/BP
  • Power supply: 220V 50/60HZ
  • Defrost way: Hot gas defrost
  • Refrigerant: R404/507/448/290
  • Cooling capacity: 2.0HP
  • Input power: 1480 W
  • Evaporating temperature: -35°C to +10°C
  • Compressor: Inverter CRSS (Sanyo) 
  • Frequency: 40~85Hz
  • External dimension (L*W*H): 708*710*988mm
  • Net weight: 78Kg
Monoblock refrigeration unit-product 1

3HP Inverter Monoblock Refrigeration Unit

Our 3HP inverter monoblock refrigeration unit combines major cooling components in one compact package,saves up to 50% energy savings, reduces compressor wear, and keeps cooling stable under varying loads.

Precise inverter control improves efficiency, extends service life, and supports reliable cold room performance.

Application area: 35~54CBM (-18°C to +5°C)

  • Model: SWMB-30F/BP
  • Power supply: 220V 50/60HZ
  • Defrost way: Hot gas defrost
  • Refrigerant: R404/507/448/290
  • Cooling capacity: 3.0HP
  • Input power: 2035 W
  • Evaporating temperature: -35°C to +10°C
  • Compressor: Inverter CRSS (Sanyo) 
  • Frequency: 40~85Hz
  • External dimension (L*W*H): 708*710*988mm
  • Net weight: 98Kg
Monoblock refrigeration unit-product 1

5HP Inverter Monoblock Refrigeration Unit

Our 5HP inverter monoblock refrigeration unit combines major cooling components in one compact package, saves up to 50% energy savings, reduces compressor wear, and keeps cooling stable under varying loads. Precise inverter control improves efficiency, extends service life, and supports reliable cold room performance.

Application area: 50~85CBM (-18°C to +5°C)

  • Model: SWMB-50F/BP
  • Power supply: 380V 50/60HZ
  • Defrost way: Hot gas defrost
  • Refrigerant: R404/507/448/290
  • Cooling capacity: 5.0HP
  • Input power: 2905 W
  • Evaporating temperature: -35°C to +10°C
  • Compressor: Inverter CRSS (Sanyo) 
  • Frequency: 40~85Hz
  • External dimension (L*W*H): 708*710*988mm
  • Net weight: 130Kg
Monoblock refrigeration unit-product

Medium Temp Monoblock Refrigeration Unit

Our medium temperature units save energy, reduce compressor stress, and deliver stable cooling for daily commercial use. They support professional cold room applications such as fresh food, beverages, kitchens, supermarkets, and other medium temperature storage projec

Application area: 37~45CBM (-5°C to +5°C)

  • Model: SWMB-30FM
  • Power supply: 220V 50/60HZ
  • Defrost way: Electric defrost
  • Refrigerant: R404/507/448/290
  • Cooling capacity: 3.0HP
  • Input power: 1605 W
  • Evaporating temperature: -5°C to +10°C
  • Compressor: Non-inverter CRSS (Sanyo) 
  • External dimension (L*W*H): 708*710*988mm
  • Net weight: 95Kg
Monoblock refrigeration unit-product

Low Temp Monoblock Refrigeration Unit

Our low temperature units save energy, protect the compressor, and maintain reliable performance in demanding freezer applications. They suit frozen food storage, cold chain projects, restaurants, supermarkets, and many other low temperature commercial cold rooms.

Application area: 27~37CBM (-18°C to -5°C)

  • Model: SWMB-30FL
  • Power supply: 220V 50/60HZ
  • Defrost way: Electric defrost
  • Refrigerant: R404/507/448/290
  • Cooling capacity: 3.0HP
  • Input power: 1500 W
  • Evaporating temperature: -35°C to -10°C
  • Compressor: Non-inverter CRSS (Sanyo) 
  • External dimension (L*W*H): 708*710*988mm
  • Net weight: 95Kg

How to Count Cooling Capacity?

Want to Calculate the Monoblock Refrigeration Unit Cooling Capacity and Cold Room Cost for Your Project?

No worry, our cooling capacity tonnage calculator will help you !

How to Make Monoblock Refrigeration Unit?

#1.Design and Engineering

Production process begins with the design and engineering phase. Engineer and designer develop detailed plans and specifications for the monoblock refrigeration unit, taking into account factors such as cooling capacity, dimensions, energy efficiency, and component compatibility. And often use advanced computer-aided design (CAD) software to create accurate 3D models and technical drawings.

Monoblock-Design and Engineering 1
Component purchase

#2.Component Procurement

Once finalize the design, should start procuring the necessary components for the monoblock refrigeration unit. This includes the compressor, condenser, evaporator, expansion valve, fan motor, control panel, and various other electrical and mechanical components. It is crucial to source high-quality components from trusted suppliers to ensure the reliability and performance of the final product.

#3.Assembly of Components

Mount compressor onto a sturdy base within the unit’s casing. Then position condenser, evaporator, expansion valve, and copper coil and assemble according to the design specifications. You should carefully pay attention to ensuring proper alignment, secure connections, and appropriate insulation to maximize cooling efficiency and prevent refrigerant leakage.

Assembly-components 01
Electrical Wiring

#4.Electrical Wiring

Next step should carry out the electrical wiring of monoblock refrigeration unit. Means connecting the control panel, fan motor, compressor, and other electrical components using special wiring techniques. Operator must strictly follow safety measures, including proper grounding and insulation, to ensure reliable and safe operation.

#5.Refrigerant Charging

Once the components and electrical wiring are in place, should start to charging the refrigerant into the system. This requires precise measurement and careful handling of the refrigerant to achieve the correct charge according to the manufacturer’s specifications. Choose  refrigerant  based on its performance characteristics and environmental impact considerations.

Refrigerant Charging
Quality Control and Testing

#6.Quality Control and Testing

Before monoblock refrigeration unit is ready for shipment, must perform thoroughly quality control checks and testing. Each unit undergoes rigorous inspections to ensure proper functionality, efficient cooling performance, and adherence to safety standards. Meanwhile, conduct performance tests to verify temperature control accuracy, cooling capacity, and power consumption.

#7.Packaging and Shipment

After passing quality control checks, carefully pack the monoblock refrigeration units to prevent damage during transportation. Must employ protective measures, such as cushioning materials and secure packaging to safeguard the units. They are then ready for shipment to the customers, ensuring they arrive in optimal condition.

Packaging and Shipment

How to Install Monoblock Refrigeration Unit?

Monoblock refrigeration unit View-front

Front View

1) Must install refrigeration unit vertically to the ground, at least 500mm to the top obstacle.There must be no block at the air intlet, and smooth ventilation.

Monoblock refrigeration unit View-side

Side View

2) Evaporator of refrigeration unit must be embeded into the wall without space, evaporator should be parallel to the ground without inclination. Condenser should be installed at least 800mm to the side obstacle.

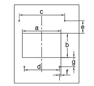
Monoblock refrigeration unit Installation size

Model
ABCDEabcdefg
1HP590
7054503586284353804703906048210
2HP7008204814086806004205904506072260
3HP9208204814087207564206006506052300

Monoblock Refrigeration Unit Part Dimension (Unit is mm)

Monoblock refrigeration unit Installation drawing

Installation Diagram

Component Photo

Monoblock Refrigeration Unit Components

Installation Picture 1

Installation Project: Outside

Installation Picture 2

Installation Project: Inside 

Installation Project-New Model

Installation Project: New Model

Monoblock Refrigeration Unit Parameter

Model
SWMB-05FSWMB-10FSWMB-15FSWMB-20FSWMB-30FSWMB-50F
Capacity 0.5HP
1.0HP1.5HP2.0HP3.0HP5.0HP
Cooling capacity810W1560W2560W3500W5720W9100W
Input Power756W1300W1925W1630W2700W3750W
Max Current6.8A8A9A10A15A18A
Voltage220V/1Ph220V/1Ph220V/1Ph220V/1Ph220V/1Ph380V/3Ph
CompressorSanyo/HighlySanyo/HighlySanyo/HighlySanyo/HighlySanyo/HighlySanyo/Highly
Compressor TypeRotaryRotaryRotaryRotaryRotaryRotary
Set Temperature-24 ~ 8°C-24 ~ 8°C-24 ~ 8°C-24 ~ 8°C-24 ~ 8°C-24 ~ 8°C
RefrigerantR404R404R404R404R404R404
Refrigerant Weight1.5kg2.0kg2.2kg2.4kg3.5kg3.7kg
Length(mm)102010201020117011701350
Width(mm)600600600660660800
Height(mm)770770770830830950
Net weight56Kg75Kg83Kg98Kg108Kg160Kg
Frequency50/60Hz50/60Hz50/60Hz50/60Hz50/60Hz50/60Hz
Evaporating Temperature-35°C-35°C-35°C-35°C-35°C-35°C
Condensing Temperature54°C54°C54°C54°C54°C54°C
Cooling wayAir cooledAir cooledAir cooledAir cooledAir cooledAir cooled
Throttle WayElectronic expansion valveElectronic expansion valveElectronic expansion valveElectronic expansion valveElectronic expansion valveElectronic expansion valve
Electric DefrostYesYesYesYesYesYes
Cold room volume5~8 CBM11~15 CBM14~25 CBM33~43 CBM40~53 CBM55~76 CBM

Why Choose Our Monoblock Refrigeration Unit?

#1.World-Famous Compressor

Our monoblock refrigeration unit use Copeland/Bitzer/Danfoss/Sanyo/Highly compressor, known for its exceptional efficiency and durability, which deliver optimal cooling performance, ensuring precise temperature control and rapid cooling or freezing as per your requirements.

Copeland Compressor
Heavy Casing Monoblock Unit

#2.Heavy Casing

The unit has robust and heavy casing to withstand demanding environments and provide long-lasting protection. The sturdy casing enhances the unit’s durability, ensuring it can withstand the rigors of commercial use without compromising its performance.

#3.High-Quality Fan Motor

Our monoblock refrigeration unit features the high-quality fan motor, carefully select for its reliable and efficient operation. The fan motor facilitates proper airflow within the unit, ensuring efficient heat transfer and consistent cooling throughout the refrigerated space. This contributes to maintaining optimal temperature levels and preserving the quality of stored products.

#4. Firm Copper Coil

The copper coil has excellent heat transfer property and resistance to corrosion. The copper coil maximizes heat exchange efficiency, enabling quick and efficient cooling. It also enhances the longevity of the unit by minimizing the risk of refrigerant leaks and ensuring consistent performance over time.

Contact us for air conditioner

#5. After-sale Service

1) Technical Support

Our technical support team is available to assist clients with any inquiries or concerns they may have. Whether it’s troubleshooting issues, providing guidance on maintenance procedures, or offering expert advice, our team is dedicated to ensuring that our customers receive prompt and effective assistance.

2) Responsive Communication

We value open and transparent communication with our customers, max 24hrs will respond to inquiries, requests for information, or any other communication from our clients. 

3) Replacement Parts Available

We maintain a stock replacement parts for our monoblock refrigeration units. By providing easy access to high-quality parts, we aim to minimize downtime and enable our customers to quickly restore the functionality of their units.

Additional Advantages

We offer 36-month guarantee to give you more confidence in every order. You reduce maintenance risk, control after-sales cost, and protect your refrigeration projects for the long term.

With 15+ years of experience, we understand refrigeration systems, customer needs, and export requirements. We help you choose reliable condensing units and solve project challenges more efficiently.

We arrange fast delivery to help you keep projects on schedule. We also provide free spare parts to reduce downtime and support smooth installation and maintenance.

We supply directly from our China factory, which helps you save sourcing costs and communicate with us more efficiently. You get better pricing, faster feedback, and more flexible customization support.

We use sturdy wooden packaging to protect your condensing units during shipping and handling. It reduces transport damage, keeps products secure, and helps your order arrive in good condition.

We provide lifelong technical support to help you solve installation, operation, and maintenance issues quickly. Our team stays with you after delivery and supports your projects at every stage.

Related Refrigeration Products

Cold Room Condensing Unit

Walk-in Cooler

Walk-in Freezer

Hermetic Condensing Unit

Inverter Condensing Unit

Box Type Condensing Unit

Semi Hemetic Condensing Unit

Reach-in Refrigerator

The FAQs

Frequently Asked Questions About Monoblock Refrigeration Unit

Unlike traditional refrigeration systems that have separate components, such as a remote compressor and condenser unit, monoblock refrigeration units combine all the necessary components into a single enclosure. This integrated design simplifies installation, reduces space requirements, and offers improved energy efficiency.

Speedway is committed to quality across all aspects of our business – our people, processes and products. We call this ‘the SPEEDWAY  standard’.

Yes. They incorporate advanced technology, such as high-efficiency INVERTER compressor, optimal heat exchanger, and smart control, to minimize energy consumption and reduce operational cost, normally can  save 20-25% energy, up to 50%.

We welcome any sample order before big quantity purchase, that means 1pc is acceptable. For mass order quantity is 10pcs each model.

Yes, we offer custom options for monoblock refrigeration unit, include different dimensions, temperature ranges, shelving configurations, and additional features.

Regular maintenance tasks for monoblock refrigeration units include: clean condenser coils, chec and replace filters, inspec electrical connections, and ensure proper airflow. We recommend to follow the manufacturer’s maintenance guidelines to keep the unit operating efficiently.

For details request please email us: sales@cn-beyond.com or Whatsapp:+86 15867834310

We have own factory to produce the main refrigeration products, but we also do trading for other related products because we have resource to supply good quality and service.

Yes,we have 5 senior engineers, 13 professional r & D team, 65 professional production personnel.

The lifetime can vary depending on factors such as usage, maintenance, and components’ quality. On average, with proper care and maintenance, a well-built monoblock refrigeration unit can last 8~10 years or even longer.

Monoblock refrigeration units are made to operate quietly. However, noise levels can vary depending on the specific unit and its installation. Proper installation, maintenance, and insulation can help minimize any noise produced during operation.

Safety features include: built-in pressure controls, temperature limit switches, and overload protection for the compressor. These features help prevent system malfunctions, maintain safe operating conditions, and protect the unit from potential damage.

Yes. Their compact and self-contained design allows for relatively easy relocation, making them a flexible solution for enterprises that may need to re-arrange their refrigeration setups or move to a different location.

Common refrigerants used in monoblock refrigeration units included R134a / R404a / R290 / R448 / R449,etc. These refrigerants have good thermodynamic properties and low ozone depletion potential.

Yes, depend on compatibility and the specific requirements of the installation. However, it is important to consult with a professional technician or manufacturer to assess feasibility and ensure proper integration.

Yes, can operate monoblock refrigeration unit with renewable energy sources such as solar power or wind power. By connecting the unit to an appropriate renewable energy system or utilizing an inverter, company or government can reduce their carbon emission and achieve greater energy efficiency.

Yes. They can be set to maintain a wide range of temperatures suitable for various products, making them versatile for different business needs.

Request A Free Quote

Ready to Start Your Project Wth Us?

Partner with us to increase your brand reputation, get an impressive experience for your clients to remember you lifelong, and help you stand out in the competitive market !

Don’t Miss Out the Best Partner!

Ready to Work With Us?

We customize the superior refrigeration products based on your idea or suggestion since 2010

Seraphinite AcceleratorOptimized by Seraphinite Accelerator
Turns on site high speed to be attractive for people and search engines.