Função da válvula de expansão térmica
Válvula de expansão térmica (curto chamado “TXV” ) é um componentes básicos do sistema para o ciclo de refrigeração. Suas funções da seguinte:
1. Redução de aceleração e pressão
Acelerar e reduzir a pressão da temperatura normal e refrigerante líquido de alta pressão após a condensação no condensador, Ajuste o refrigerante que flui através do evaporador, e controlar o superaquecimento na saída do evaporador. Superaquecimento = temperatura da saída de ar – temperatura de evaporação.
2. Regular o fluxo
De acordo com o sinal de temperatura obtido pelo sensor de temperatura, O TXV pode ajustar automaticamente o fluxo de refrigerante que entra no evaporador para adaptar as mudanças de carga de refrigeração.
3. Evite superaquecimento anormal
A válvula de expansão ajusta a taxa de fluxo para fazer o evaporador manter um certo superaquecimento, Garanta o uso efetivo do evaporador, Enquanto isso, evite líquido refrigerante entrando no compressor para causar ataque líquido; ao mesmo tempo, pode evitar superaquecimento anormal.
Classificação e instalação TXV
O TXV pode se dividir em dois tipos: Balanceado interno e externo equilibrado.
TXV interno equilibrado
Pressão do sensor de temperatura = pressão da mola + pressão de entrada do evaporador. A pressão do diafragma da válvula vem da entrada do evaporador.
TXV EXTERNAL EMBALADO
Pressão do sensor de temperatura = pressão da mola + pressão da saída do evaporador. A pressão do diafragma da válvula vem da saída do evaporador, sempre usado em sistemas com grande resistência ao evaporador.
Estrutura TXV
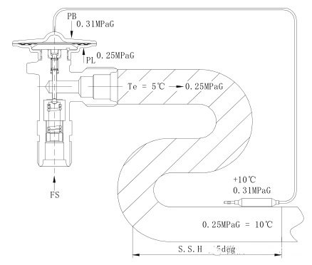
Instale o sensor de temperatura no tubo de saída de ar horizontal na saída do evaporador, 1.5estou longe da porta de sucção do compressor. O sensor de temperatura não deve colocar no pipeline com líquido acumulado. E embrulhe -o firmemente contra o cano, Enquanto isso, limpe a escala de óxido no contato para expor a cor natural de metal.
Quando o diâmetro do tubo de saída de ar é < 25mm, O sensor de temperatura pode ser amarrado no topo do tubo; Quando o diâmetro é > 25mm, Pode ser amarrado a 45 ° no lado inferior do tubo de saída de ar para evitar o acúmulo de óleo no fundo do tubo de afetar o desempenho do sensor de temperatura corretamente.
Instalação do sensor de temperatura
TXV Debug
Deve depurar TXV sob normal refrigeração condição de operação. Se a taxa de fluxo for muito grande, gire o parafuso de depuração meio turno no sentido horário. De outra forma, gire o parafuso de depuração no sentido anti-horário, Também meia curva. Não gire o parafuso de depuração mais de meia turno ao mesmo tempo.
Deve haver um intervalo de mais de 15 minutos entre cada depuração.
O superaquecimento do TXV deve ser de 5 ~ 8 ℃. Se não, Ajuste.
Exemplo de depuração do TXV
Falta: Uma temperatura e umidade constantes ar condicionado está funcionando com os dois compressores, A saída de ar é 22,5 ℃, A entrada de ar é 16,8 ℃, Seu desempenho de refrigeração não é bom. Freon era suficiente, e filtro não bloqueado.
Inspeção: 2 compressores’ A saída de ar foi superaquecida e a temperatura na saída da válvula de expansão foi baixa. A temperatura da saída do evaporador foi de 18 ℃, e a pressão da saída de ar foi de 3,2 kg/cm2 (A temperatura correspondente foi -5 ℃, O superaquecimento foi de 23 ℃), que obviamente foi desviado do superaquecimento normal. A razão é a válvula de expansão não estava aberta o suficiente.
Depurar: Após a depuração correta, A temperatura da saída do evaporador foi de 12 ℃, A pressão da saída de ar foi de 4,8 kg/cm2, A temperatura correspondente foi de 4,5 ℃, e o superaquecimento foi de 7,5 ℃.
Os dados específicos antes e depois da depuração no local são os seguintes:
| Item | TEMP TEMP (°C) | Pressão de saída de ar do compressor (kg/cm2) | Temperatura ralada para pressão de saída de ar do compressor(°C) | Superaqueça(°C) | Superaquecida atenda a solicitação ou não |
|---|---|---|---|---|---|
| Valor padrão de depuração do fabricante | < 14 | 4.5~6 | 2.5~11 | 5~8 | Sim |
| (#1 compressor) Antes de depuração | 21.0 | 3.2 | -5.0 | 26.0 | Não |
| (#1 compressor) depois de depuração | 12.3 | 5.0 | 5.8 | 7.6 | Sim |
| (#2 compressor) Antes de depuração | 20.5 | 4.0 | 0.0 | 20.5 | Não |
| (#2 compressor) depois de depuração | 13.9 | 5.2 | 6.0 | 7.9 | Sim |
Neste depuração, O superaquecimento ideal foi de 7,6 ℃ e 7,9 ℃ respectivamente.
| Item | Saída de ar condicionado | Saída de ar condicionado | Entrada de ar de ar condicionado | Entrada de ar de ar condicionado | Gap temporário entre a entrada de ar e a saída |
|---|---|---|---|---|---|
| Unidade | temperatura (°C) | Umidade (%) | temperatura (°C) | Umidade (%) | (°C) |
| Antes de depuração | 22.5 | 54.8 | 16.8 | 75.4 | 5.7 |
| Depois de depuração | 22.5 | 54.8 | 14.3 | 84.3 | 8.2 |
Conclusão
Afinal, Válvula de expansão térmica (TXV) desempenha um papel vital na regulação do fluxo de refrigerante e na garantia do desempenho ideal do sistema.
Ao entender suas funções, classificações, instalação adequada, e técnicas de depuração, Você pode manter uma operação eficiente e abordar possíveis problemas de maneira eficaz, contribuindo para a confiabilidade do refrigeração ou ar condicionado sistema.
Algum comentário?
Bem-vindo deixe uma mensagem ou repost.


